00
00 грн.

Кошик

Ваш кошик порожній

Інфрачервоний датчик насіння AGXON™ IR940

У обране До порівняння
Датчики такого типу застосовуються у таких сівалках: John Deere (7000, 7100, 7200, 1750, 1760, MaxEmerge, VacuMeter) Kinze (3000, 3500, 3600, 4900, 4700, 3660) Case IH (1200, 1215, 1220, Early Riser, PrecisionDisk) Great Plains (YP1625, PL5500, 2S-2600) White Planters (6000, 8000, 9000 Series) AGCO / Massey Ferguson / Challenger (Монітори C1000–C3000) Monosem (CS, ME, NG Plus, ValoTerra) Horsch, Amazone, Kuhn, Vaderstad (при використанні адаптерів DJ / ISOBUS)
Напруга живлення:12/24V DC
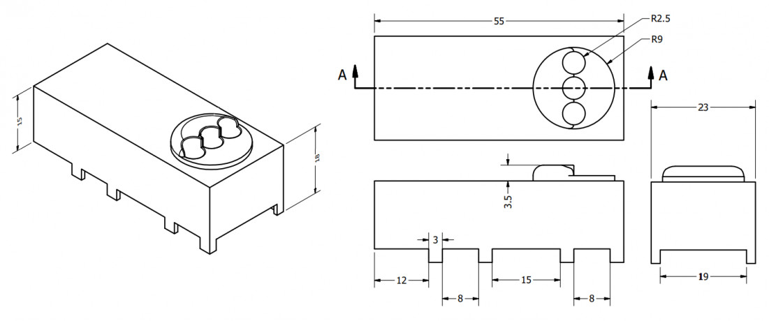
Розмір:55х23х18 мм
Матеріал:Пластик
Струм, мА:50 мA
Модель:IR940
Код товару:8541 40 90 00
Всі характеристики
Доставки та оплата:
Ви можете оплатити на рахунок або готівкою при отриманні, доставимо «Укрпоштою» або «Новою Поштою».
2,295 грн.
Опис
Характеристики
Download

Датчики висіву IR940
Виробництво IR940
PWM технологія
Додаток версія 8.10.17
Монтаж автоматики
Можливості PWM
Інструкція
Дві технології
Обробка соняшника
Зовнішні приймачі
Курсовказівник
Учебный стенд
Внесення ЗЗР з PWM
AgroPilot BT30-IMU
Компенсатор тиску
Інерціальна навігація
Розсіювач добрив
Розкидання добрив
Обприскування
Обробка сої
ARAG Bravo-180s
Обробка пшениці
Добрива по озимій
Saletrosan по пшениці








Оптичні датчики висіву AGXON™ IR940, мають вихід NPN open collector (активний LOW). Вони підходять для більшості моніторів і систем контролю висіву, що застосовуються у сівалках John Deere, Case, Kinze, AGCO, Great Plains та інших виробників.

Тип сигналу: NPN open collector (замикання імпульсу на «масу»)
Сумісний з: системами John Deere, Kinze, Case IH, Great Plains, White, AGCO, Monosem, Topcon, Mueller, Ag Leader, RDS, Raven тощо.
John Deere No: AA58295, AA53212, AA63470, АА58293, AA41595, AA27652, AA71959, AA70077, AA69777, AA67283, AA61908, AA30829, GA14214.
Kinze No: GR1087, 833-222C, GR1087, 853621, 452440891AS1 (45244-0891AS1).

1. DICKEY-john

Модель системиСумісність
Computer-Trak 100 / 150 / 250 / 350 Повна
PM100 / PM300 / PM400 Повна
CMS100 / CMS200 Повна
Seed Manager / IntelliAg / ISO6 Повна
SeedStar (DJ протокол) Повна

2. John Deere

Система / МоніторСумісність
Computer-Trak 100 / 150 / 250 / 350 Повна
SeedStar (перша версія) Повна
SeedStar 2 / XP / 3HP (через адаптер) Сумісна при підключенні DJ-адаптера
SeedStar 4 / Gen 4 CommandCenter Сумісна через ISO-інтерфейс

3. Kinze

Модель монітораСумісність
KPM II / KPM III Повна
Vision / Blue Vantage / ISOBUS Сумісна через DJ або ISO адаптер

4. Case IH

СистемаСумісність
Early Riser Monitor Повна
AFS Seed Manager Повна
AFS Pro 700 / 1200 (ISO) Сумісна через ISO-шину

5. Great Plains / AGCO / White / Monosem

СистемаСумісність
White 6000 / 8000 / 9000 Series Повна
AGCO FieldStar / C1000 / C3000 Повна
Great Plains Seed Monitor Повна
Monosem CS / ME / NG Plus / ValoTerra Повна

6. Універсальні та ISOBUS системи

Система / ВиробникСумісність
Ag Leader SeedCommand / InCommand 1200 Повна
Topcon X20 / X30 / X35 Повна
Mueller Elektronik DrillControl / ISOBUS Повна
RDS Technology Artemis / Drill Control / SeedHawk Повна
MC Electronics Seed Monitor 3 / 6 / 12 Повна
Trimble Field-IQ / GFX / TMX монітори Сумісні через DJ-протокол
CLAAS Quantimeter / ISOBUS Terminals Сумісні з NPN сигналом

7. Електричні характеристики

ПараметрЗначення
Тип сигналу NPN open collector (активний LOW, замикання на «масу»)
Живлення 7.2 – 8.8 В DC
Вихідна напруга сигналу до 5 В логічного рівня
Діапазон робочих температур 0°C ... +85°C
Сумісні середовища Кукурудза, соя, пшениця, добрива, гранули

8. Сумісні марки сівалок

Датчики цього типу застосовуються у таких сівалках:

  • John Deere (7000, 7100, 7200, 1750, 1760, MaxEmerge, VacuMeter)
  • Kinze (3000, 3500, 3600, 4900, 4700, 3660)
  • Case IH (1200, 1215, 1220, Early Riser, PrecisionDisk)
  • Great Plains (YP1625, PL5500, 2S-2600)
  • White Planters (6000, 8000, 9000 Series)
  • AGCO / Massey Ferguson / Challenger (Монітори C1000–C3000)
  • Monosem (CS, ME, NG Plus, ValoTerra)
  • Horsch, Amazone, Kuhn, Vaderstad (при використанні адаптерів DJ / ISOBUS)

Примітка: Торговельні марки John Deere, Case, Kinze, AGCO, Great Plains та інші є власністю їхніх відповідних власників. Вони використовуються виключно для позначення сумісності продукції AGXON™ та не означають, що виробник має відношення до цих брендів або їхніх представників. Уся інформація наведена для довідкових цілей. Використання торгових марок третіх сторін здійснюється відповідно до принципів номінативного використання (nominative fair use).

Характеристики

Напруга живлення
12/24V DC
Розмір
55х23х18 мм
Матеріал
Пластик
Струм, мА
50 мA
Модель
IR940
Код товару
8541 40 90 00
Опис товару
Інфрачервоний датчик фіксацію руху дрібних, середніх та великих типів насіння.
GTIN
199284643482